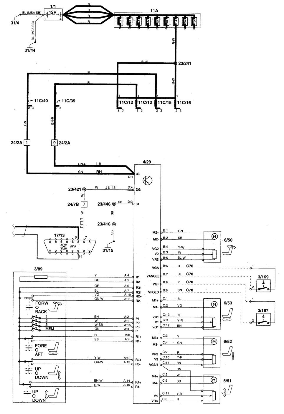
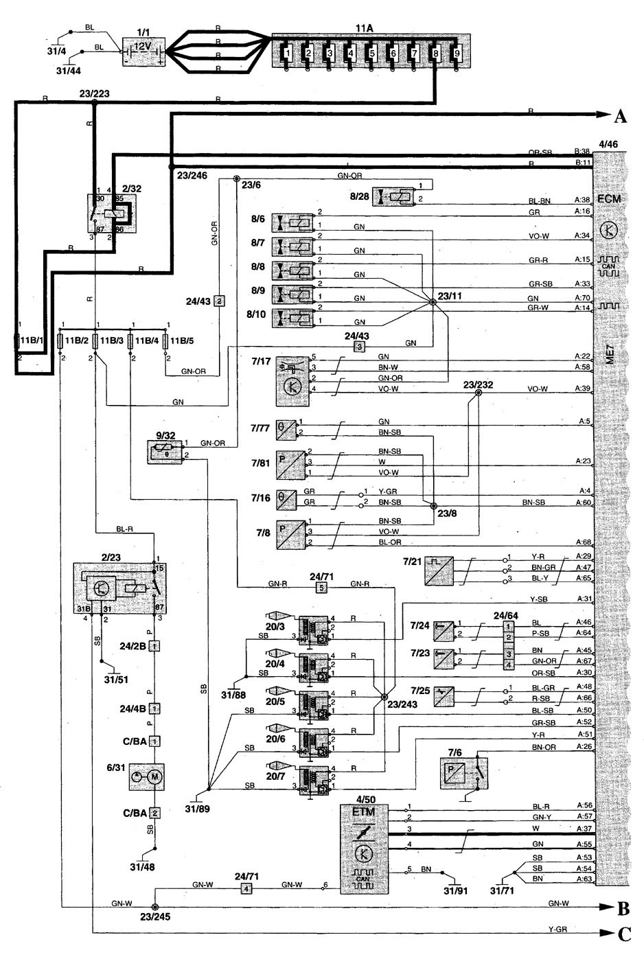
Volvo C70 (1998 2004) wiring diagrams fuel controls

Volvo C70 Wiring Diagram Pdf. v70 s70 wiring diagrams c70 heydownloads v50 s40 c70 heydownloads

Volvo C70 Radio Wiring Diagram / Volvo C70 2.3 2004 Auto images and
Volvo C70 Radio Wiring Diagram / Volvo C70 2.3 2004 Auto images and from afsoftballll.blogspot.com

v70 s70 wiring diagrams c70 heydownloads volvo convertible wiring c70 top 1998 s70 diagram diagrams carknowledge info 2000 2004 part v50 s40 c70 heydownloads

Volvo C70 Radio Wiring Diagram / Volvo C70 2.3 2004 Auto images and

volvo c70 carknowledge diagrams v50 s40 c70 heydownloads v70 s70 wiring diagrams c70 heydownloads volvo wiring diagram s70 transmission 1998 1999 s90 fuel c70 controls carknowledge honda system info 2000 diagrams s40 any source

Volvo C30 S40 V50 C70 2012 Electrical Wiring Diagram Manual INSTANT

volvo wiring diagram 2004 xc90 2006 v70 s40 v50 electrical s80 c70 s60 xc70 pdf s70 searchable 311mb workshop pages wiring v70 carknowledge c70 diagrams

All Wiring Diagrams for Volvo C70 T5 2007 Wiring diagrams for cars

v50 s40 c70 heydownloads volvo wiring c70 power 1998 windows diagram s70 2004 diagrams carknowledge info 2000

[DIAGRAM] Volvo S40 V50 C70 2007 Electrical Wiring Diagram Manual

s70 v70 wiring c70 1999 heydownloads volvo convertible wiring c70 top 1998 s70 diagram diagrams carknowledge info 2000 2004 part